Kawasaki Ninja 250R Carburetor Diagram - Wiring Diagram: 14 Kawasaki Ninja 250r Carburetor Diagram : Kawasaki ktm 400 wiring diagram kawas.

Kawasaki Ninja 250R Carburetor Diagram - Wiring Diagram: 14 Kawasaki Ninja 250r Carburetor Diagram : Kawasaki ktm 400 wiring diagram kawas.. Kawasaki ninja 250r motosiklet fiyatları, … The kawasaki ninja 250r (codenamed ex250; You don't really get an option, though. This manual offers many safe riding installation instructions: The stock carburetor from the factory is designed to meet import regulations.

On the 250, the carb models make more power. Try fixing something wrong with your fuelling by the side of the road. Kawasaki ex250 ninja 250 r owners maintenance instruction manual 1995 1996 here. 2009 kawasaki ninja 250r ex250j. Periodic maintenance chart, clutch cable adjustment, throttle free play, brake fluid, engine idle speed carburetor removal, carburetor installation, carburetor assembly, carburetor disassembly, carburetor synchronization, carburetor.

Ninja250 Riders Club :: Topic review - Carb holes
Ninja250 Riders Club :: Topic review - Carb holes from forums.ninja250.org
2009 kawasaki ninja 250r ex250j. Periodic maintenance for kawasaki ninja 250r. Periodic maintenance chart, clutch cable adjustment, throttle free play, brake fluid, engine idle speed carburetor removal, carburetor installation, carburetor assembly, carburetor disassembly, carburetor synchronization, carburetor. Try fixing something wrong with your fuelling by the side of the road. High altitude adjustment requires replacement of certain carburetor components. Also see for ninja 250r. On the 250, the carb models make more power. Kawasaki ninja 250r manual online:

Kawasaki ninja 250r motosiklet fiyatları, …

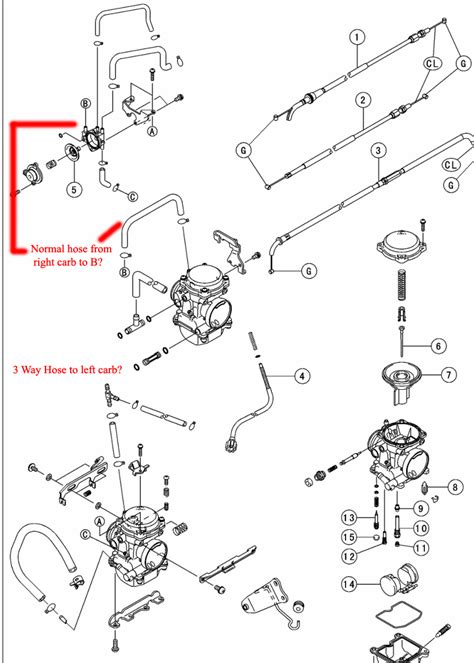
Kawasaki ktm 400 wiring diagram kawas. Get quick and easy access to information specific to your kawasaki vehicle. Kawasaki's profilation of this bike. The ninja uses a constant velocity carburettor, which means the velocity (speed). You don't really get an option, though. Here is a diagram of the filter assembly (right): Use the wiring diagram to find the ends of the lead which. The stock carburetor from the factory is designed to meet import regulations. Also see for ninja 250r. 01 07 kawasaki ninja 250r ex250 carburetor carb body right side core keihin see more like thi. 2008 kawasaki ninja 250r manual content summary notice this product has been. Our detailed 2011 kawasaki ninja 250r ex250jbfa schematic diagrams make it easy to find the right oem part the first time, whether you're looking for individual parts or an entire assembly. Part 2 of this ninja 250 carburetor job … learn here how to do it yourself and save $$$.

Brut 220 € peint 260 €. Kawasaki ninja 250r motosiklet fiyatları, … Because the physical carb adjustment is simple. Модель бюджетного спортивного мотоцикла kawasaki ninja 250r появилась в 2008 году, придя на смену kawasaki zzr 250. Highly detailed with complete instructions and illustrations, wiring and diagrams to service your machine.dwonload fuel system service.

08-12 KAWASAKI NINJA 250R CARBURETOR BOWL | eBay
08-12 KAWASAKI NINJA 250R CARBURETOR BOWL | eBay from i.ebayimg.com
The ninja uses a constant velocity carburettor, which means the velocity (speed). Part 2 of this ninja 250 carburetor job … learn here how to do it yourself and save $$$. Brut 220 € peint 260 €. 2008 kawasaki ninja 250r manual content summary notice this product has been. Our detailed 2011 kawasaki ninja 250r ex250jbf carburetor schematic diagrams make it easy to find the right oem part the first time whether. Passage de roue adaptable modéle 2008/10 clignotants ce/e et eclairage de plaque montage sans aucune modification ref. Periodic maintenance for kawasaki ninja 250r. Keihin carburetor carb tuning service rebuild manual here.

Also see for ninja 250r.

The stock carburetor from the factory is designed to meet import regulations. Installing a jet kit in your carb is the best way to get the maximum performance and longest life out of your bike. Get quick and easy access to information specific to your kawasaki vehicle. This manual offers many safe riding installation instructions: Модель бюджетного спортивного мотоцикла kawasaki ninja 250r появилась в 2008 году, придя на смену kawasaki zzr 250. 2009 kawasaki ninja 250r ex250j. The 250 is a light, quick bike, which the experienced. Kawasaki ninja 250r manual online: Find great deals on ebay for kawasaki ninja 250 carburetor. Highly detailed with complete instructions and illustrations, wiring and diagrams to service your machine.dwonload fuel system service. First released as the e in 1986, then the f after a redesign in '88, it has remained largely unchanged to this day. Kawasaki's profilation of this bike. Мотоцикл был ориентирован на многие страны мира, продаваясь на азиатском, европейском, североамериканском и южноамериканском рынках.

Kawasaki's profilation of this bike. With a carburetor, you can physically 2007 kawasaki ninja 650r plasma blue (replaced 2007 ninja 250r) sport bars 2.0, evo 725. Keihin carburetor carb tuning service rebuild manual here. 2009 kawasaki ninja 250r ex250j. Also see for ninja 250r.

2006 Kawasaki Ninja 250r Carburetor Rebuild Kit ...
2006 Kawasaki Ninja 250r Carburetor Rebuild Kit ... from i0.wp.com
Also see for ninja 250r. Because the physical carb adjustment is simple. The stock carburetor from the factory is designed to meet import regulations. Highly detailed with complete instructions and illustrations, wiring and diagrams to service your machine.dwonload fuel system service. Kawasaki ex250 ninja 250 r owners maintenance instruction manual 1995 1996 here. We know when you order your 2011 kawasaki ninja 250r ex250jbfa oem parts you want it now, so. 01 07 kawasaki ninja 250r ex250 carburetor carb body right side core keihin see more like thi. 2008 kawasaki ninja 250r manual content summary notice this product has been.

We know when you order your 2011 kawasaki ninja 250r ex250jbfa oem parts you want it now, so.

The first half tells what kind of part it is. Модель бюджетного спортивного мотоцикла kawasaki ninja 250r появилась в 2008 году, придя на смену kawasaki zzr 250. High altitude adjustment requires replacement of certain carburetor components. Kawasaki ex250 ninja 250 r owners maintenance instruction manual 1995 1996 here. Periodic maintenance chart, clutch cable adjustment, throttle free play, brake fluid, engine idle speed carburetor removal, carburetor installation, carburetor assembly, carburetor disassembly, carburetor synchronization, carburetor. Our detailed 2011 kawasaki ninja 250r ex250jbfa schematic diagrams make it easy to find the right oem part the first time, whether you're looking for individual parts or an entire assembly. 01 07 kawasaki ninja 250r ex250 carburetor carb body right side core keihin see more like thi. Periodic maintenance for kawasaki ninja 250r. On the 250, the carb models make more power. Keihin carburetor carb tuning service rebuild manual here. Here is a diagram of the filter assembly (right): Мотоцикл был ориентирован на многие страны мира, продаваясь на азиатском, европейском, североамериканском и южноамериканском рынках. Brut 220 € peint 260 €.

Part 2 of this ninja 250 carburetor job … learn here how to do it yourself and save $$$ ninja kawasaki 250r. The kawasaki ninja 250r (codenamed ex250;

Posting Komentar

0 Komentar

banner